Compact Isolated Gate Driver Power Supply for Sic-Mosfets
SiC and GaN MOSFETS enable efficient and space-saving power supply designs with higher switching frequencies. With the new transformer series WE-AGDT designers can easily implement a compact and efficient gate driver supply with up to 6 W output power capability.
Wide bandgap power semiconductor devices like Silicon Carbide (SiC) MOSFETs are enjoying growing popularity in many modern power electronic applications like E-mobility and renewable energy. Their extremely fast switching speed helps to increase efficiency and reduce the overall size and cost of the system. However, fast switching together with high operating voltages and increasing switching frequencies present important challenges to the gate driver system. Rugged galvanic isolation, compliance with safety standards, control signal noise immunity and EMI performance are just some of the most important aspects to consider. An optimal design of the isolated auxiliary supply providing the voltage and current levels to drive the SiC/GaN device is critical to help the full gate driver system meet the many requirements set by state-of-the-art applications.
Requirements for SiC/GaN Gate control
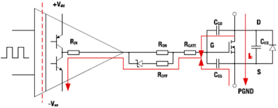
In applications using SiC/GaN high-voltage semiconductor devices operating under hard-switching, galvanic isolation is a common requirement for safety and functional reasons, where depending on the application, basic or reinforced insulation will be required. The operating voltage, insulation material, pollution degree and the applicable regulatory standards set the minimum creepage and clearance distances as well as the dielectric isolation voltage requirement affecting the components placed across the isolation barrier. The high-speed isolated gate driver IC (e.g. TI UCC21520) and the transformer in the isolated auxiliary power supply (DC/DC Block in figure 1) both ‘bridge’ this isolation barrier, thus having to meet stringent safety and functional requirements.

Figure 1. Overview of a HV half-bridge control of the High-side & Low-side SiC-MOSFET.
Some of the latest SiC-MOSFET devices require typical gate voltages between +15 V and +20 V for full turn-on and between 0 V and -5 V for reliable turn-off. For a GaN-FET usually only +5 V and 0 V are required respectively, although a small negative voltage can also be applied to ensure turn-off in presence of excessive gate voltage ringing. Please note that these values vary depending on the manufacturer. In figure 1, a half-bridge configuration is shown, and several of these stages are typically required in an inverter circuit to drive AC-motors in the kW range. Each SiC/GaN-FET requires an independent gate driver stage with its own isolated auxiliary supply. This not only enables individual control of each SiC/GaN device, but also helps to keep the gate current loop small and local to the device, minimizing the adverse effects of parasitic loop inductance and ground bounce caused by the very high ΔI/Δt generated during the switching transition (figure 2 and figure 3).

Figure 2. High ΔI/Δt current paths on turn-on of SiC/GaN FET.

Figure 3. High ΔI/Δt current paths on turn-off of SiC/GaN FET.
If ignored, this may lead to uncontrolled turn-on/off of the MOSFET and thermal issues. Some SiC MOSFETs are designed with an additional low impedance Kelvin source connection (figure 4) for a gate current return path. This connection does not carry the high switching current and therefore has a lower interference potential than the source connection, which significantly improves gate driving (e.g. Infineon IMZ120R045M1 1200 V / 52 A).

Figure 4. Kelvin connections and critical parasitic inductances in a half-bridge configuration.
Regarding the auxiliary supply, it should be compact with its output capacitors (with minimal ESL and ESR) placed very close to the gate driver and SiC/GaN device to minimize the gate current loop and associated parasitic effects.
Driving SiC-MOSFETs
There is currently a large selection of compact, isolated 1 – 2 W DC/DC converters available on the market. For a SiC-MOSFETs like the Infineon IMZ120R045M1 1200 V / 52 A, up to 1 W power requirements per device can be estimated (example calculation (1)). However, an application with over 5 kW load power would require the use of either a SiC-MOSFET module (e.g. ROHM BSM600D12P3G001 1200 V / 600 A) or alternatively several discrete SiC-MOSFETs in parallel (current sharing). In a module solution, several semiconductor dies are paralleled to form the final SiC-MOSFET. This technique reduces the effective RDS(ON) but results in a higher total gate charge, QG, requiring more drive power from the gate driver system power supply (example calculation (2)). Above 2 W of power, there is only a very limited selection of off-the-shelf isolated DC/DC converter modules, which despite their convenience, they often come at a premium cost while being larger than discrete solutions and with efficiencies under 79%.
The total power to drive a SiC gate is given by equation 1:
PGATE = PDRIVER + (QG x FSW x ΔVGATE)(Eq. 1)
With:
PGATE: Total power required to drive the SiC device gate
PDRIVER: Power loss in the gate driver section (approx. 0.3 W)
QG: Total gate charge value (from datasheet)
FSW: Maximum switching frequency
ΔVGATE: Maximum voltage swing at the gate from –Vee to +Vdd (e.g. -4 V to +15 V = 19 V)
Example calculation (1) with Infineon IMZ120R045M1 1200 V / 52 A:
PGATE = 0.3 W + (62 nC x 100 kHz x 19 V) = 0.42 W
Example calculation (2) with ROHM BSM600D12P3G001 1200 V / 600 A:
PGATE = 0.3 W + (1900 nC x 100 kHz x 19 V) = 3.91 W
The SiC-MOSFET modules currently available can feature a total gate charge from as little as a few hundred nC up to 3000 nC. The higher their blocking voltage and power ratings, the higher their gate capacitance. With an increase in the switching frequency or load power (requiring more paralleled SiC devices with the corresponding increase of the total gate charge), 6 - 10 W of driver system power can be expected for the most demanding present and near-future applications.
Efficiency, size and especially the parasitic coupling capacitance are important parameters in high-performance SiC-based systems. As the switching speed increases, with the resulting very steep switching edges, the harmonics couple capacitively between the converter output stage/gate driver (high-voltage side) and the low-voltage control side.
The parasitic capacitance (CP) between primary and secondary sides in the auxiliary gate driver supply is mainly set by the interwinding capacitance of the DC/DC power transformer. With the latest SiC-MOSFETs switching at ΔU/Δt slew-rates of 100 kV/us, 10 pF parasitic capacitance would cause a peak displacement current of 1 A across the isolation barrier. A high displacement current can degrade the insulation barrier in the long run (dielectric stress), disturbs the control signals and leads to common mode currents, which are a typical source of EMI issues.
IP = CP x ΔU/Δt(Eq. 2)
With:
IP: electrical displacement current
CP: parasitic coupling capacitance
It is generally recommended to keep CP in the auxiliary supply below 10 pF. Note however that the maximum capacitance tolerated by the system will depend on the switching speed and the common-mode transient immunity (CMTI) capability of the gate driver IC used.
Würth Elektronik has addressed these challenges by presenting suitable solutions with its new SiC gate driver power supply reference designs. These designs are built around the new WE-AGDT transformers featuring very low interwinding capacitance down to 6.8 pF. They provide different well-regulated bipolar as well as unipolar gate drive voltages with an output power capability of up to 6 W, while keeping an extremely compact form factor (27 x 14 x 14 mm (L x W x H)). (figure 5).

Figure 5. Würth Elektronik reference design for a compact, isolated DC/DC converter for HV SiC/IGBT Gate Driver.
SiC gate driver power supply reference design
The bipolar reference design (RD001) has the following features:
- Input voltage range: 9 - 18 V
- Output voltage variants: +15 V / -4 V, +19 V / -4 V and +20 V /-5 V.
- Peak efficiency of up to 86 % (83 % @ 6 W)

The unipolar reference design (RD002) has the following features:
- Input voltage range: 9 - 18 V
- Output voltage variants: +15 V, +18 V and +20 V
- Peak efficiency of up to 88 % (86 % @ 6 W)
In addition to the LT8302 controller (Analog Devices), the key component in these reference designs are the new WE-AGDT transformers, built on a compact EP7 bobbin package, and with the following specification:
- Wide Input Voltage Range: 9 - 36 V
- Very low interwinding capacitance typ. 6.8 pF
- Very low leakage inductance for highest efficiency
- SMD Pick & Place ready
- Safety Standard IEC-62368-1, IEC-61558-2-16
- Basic Insulation for 800 V (peak)
- Dielectric Isolation min. 4 kV AC
- Temperature Class B 155 °C
- AEC-Q200 Qualification
The reference design documents RD001 [1] and RD002 [2] provide detailed information and are available for download on Würth Elektronik website, alongside with the corresponding PCB layout files (Altium Designer) as well as PCB fabrication files.
Please note that the power capability of these designs can easily be scaled to 10 W with an EP10 bobbin and appropriate uprating of some components. Würth Elektronik engineers offer support for specific requirements.
The new WE-AGDT Auxiliary Gate Drive Transformer series [3] from Würth Elektronik features eight different transformers, each of them optimized for different specifications and their own reference design. They offer design flexibility and ease of use while providing the gate-drive voltage levels, drive power and low parasitic capacitance required to drive state-of-the-art SiC-MOSFETs, silicon IGBTs and power-MOSFET devices.
To learn more about Wurth Elektronik WE-AGDT Auxiliary Gate Drive Transformer series Click here